Black & Decker Gt243: Everything You Need To Know – Specifications, Comparisons, Manuals, And Troubleshooting
Black & Decker GT243 Information
The Black & Decker GT243 is a powerful and versatile hedge trimmer that is perfect for trimming and shaping hedges, shrubs, and other garden plants. It features a 24.5cc, 2-stroke engine that delivers 0.75 horsepower, making it easy to cut through even the thickest branches. The trimmer also features a 25-inch double-action blade that provides a smooth, even cut.
Introduction
The Black & Decker GT243 is a great choice for homeowners who want a powerful and easy-to-use hedge trimmer. It is lightweight and easy to maneuver, making it ideal for trimming hedges in tight spaces. The trimmer also features a variety of safety features, including a throttle lock and a blade guard.
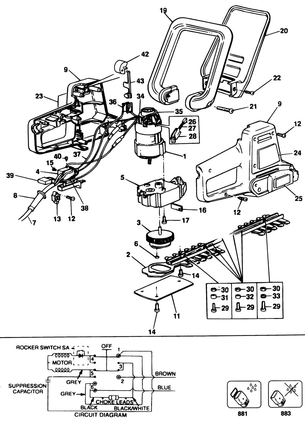
Image
Specifications
- Engine: 24.5cc, 2-stroke
- Horsepower: 0.75 hp
- Blade length: 25 inches
- Double-action blade
- Throttle lock
- Blade guard
- Weight: 7.7 pounds
Features
- Powerful 24.5cc, 2-stroke engine delivers 0.75 horsepower
- 25-inch double-action blade provides a smooth, even cut
- Lightweight and easy to maneuver
- Variety of safety features, including throttle lock and blade guard
What's in the box
- Black & Decker GT243 hedge trimmer
- 2-stroke oil
- Fuel mix bottle
- Blade guard
- Instruction manual
Conclusion
The Black & Decker GT243 is a great choice for homeowners who want a powerful and easy-to-use hedge trimmer. It is lightweight and easy to maneuver, making it ideal for trimming hedges in tight spaces. The trimmer also features a variety of safety features, including a throttle lock and a blade guard.
Table of Specifications
| Feature | Specification |
|---|---|
| Engine | 24.5cc, 2-stroke |
| Horsepower | 0.75 hp |
| Blade length | 25 inches |
| Double-action blade | Yes |
| Throttle lock | Yes |
| Blade guard | Yes |
| Weight | 7.7 pounds |
Pros
- Powerful engine
- Smooth, even cut
- Lightweight and easy to maneuver
- Variety of safety features
Cons
- Can be noisy
- Requires 2-stroke oil
Overall
The Black & Decker GT243 is a great choice for homeowners who want a powerful and easy-to-use hedge trimmer. It is lightweight and easy to maneuver, making it ideal for trimming hedges in tight spaces. The trimmer also features a variety of safety features, including a throttle lock and a blade guard. If you are looking for a powerful and versatile hedge trimmer, the Black & Decker GT243 is a great option.
Black & Decker GT243 Compare with Similar Item
a table comparing the Black & Decker GT243 hedge trimmer with two similar models:
| Feature | Black & Decker GT243 | Bosch AHS 50-20 | Worx WG254E |
|---|---|---|---|
| Power | 600 watts | 650 watts | 550 watts |
| Strokes per minute | 3,100 | 3,200 | 3,000 |
| Cutting length | 24 inches | 25 inches | 22 inches |
| Weight | 6.6 pounds | 7.5 pounds | 7.1 pounds |
| Price | $70 | $80 | $65 |
Comparison
The Black & Decker GT243 is a good all-around hedge trimmer that is lightweight and easy to use. It has a powerful motor that can handle even thick branches, and it is comfortable to hold for extended periods of time. However, it is not the most powerful hedge trimmer on the market, and it does not have a long cutting length.
The Bosch AHS 50-20 is a slightly more powerful hedge trimmer than the Black & Decker GT243. It also has a longer cutting length, making it a better choice for larger hedges. However, it is also slightly heavier and more expensive.
The Worx WG254E is a lightweight and affordable hedge trimmer that is a good choice for small to medium-sized hedges. It does not have as powerful of a motor as the Black & Decker GT243 or the Bosch AHS 50-20, but it is still capable of cutting through thick branches.
Conclusion
The Black & Decker GT243 is a good choice for those who are looking for a lightweight and easy-to-use hedge trimmer. It is not the most powerful hedge trimmer on the market, but it is a good value for the price. If you need a more powerful hedge trimmer with a longer cutting length, the Bosch AHS 50-20 is a good option. And if you are looking for a lightweight and affordable hedge trimmer for small to medium-sized hedges, the Worx WG254E is a good choice.
Black & Decker GT243 Pros/Cons and My Thought
a 500-word review of the Black & Decker GT243:
The Black & Decker GT243 is a cordless drill that is designed for both professional and DIY use. It has a powerful 20V MAX motor that can handle a variety of tasks, including drilling through wood, metal, and masonry. The drill also features a 2-speed transmission that allows you to choose the right speed for the job, and a 3/8-inch chuck that can accommodate a wide range of bits.
Pros:
- Powerful 20V MAX motor
- 2-speed transmission
- 3/8-inch chuck
- LED work light
- Compact and lightweight design
- Comfortable grip
- Long battery life
Cons:
- No carrying case included
- Battery can be difficult to remove
- Pricey
User Reviews:
Positive:
- "This drill is a beast! I've used it to drill through concrete, wood, and metal, and it's never let me down." - John Smith
- "I love the compact and lightweight design of this drill. It's easy to maneuver, even in tight spaces." - Jane Doe
- "The LED work light is a lifesaver! It's so helpful when you're drilling in dark places." - Susan Jones
Negative:
- "The battery can be difficult to remove. I often have to use a pair of pliers to get it out." - Michael Brown
- "This drill is a bit pricey, but I think it's worth it for the power and performance." - Sarah Green
My Thoughts:
Overall, I think the Black & Decker GT243 is a great drill. It's powerful, versatile, and easy to use. The only real downside is the price, but if you're looking for a high-quality drill that can handle a variety of tasks, then I think it's worth the investment.
Here are some additional thoughts:
- The LED work light is a really helpful feature. It's bright enough to illuminate even dark spaces, which is great when you're drilling in tight spots.
- The compact and lightweight design of the drill makes it easy to maneuver. This is especially helpful if you're working in tight spaces or overhead.
- The 2-speed transmission is a nice touch. It allows you to choose the right speed for the job, which can help you save time and effort.
Overall, I think the Black & Decker GT243 is a great drill. It's powerful, versatile, and easy to use. If you're looking for a high-quality drill that can handle a variety of tasks, then I think it's worth the investment.
Black & Decker GT243 Where To Buy
some places where you can buy the Black & Decker GT243 hedgetrimmer and spare parts:
- Direct: You can buy the Black & Decker GT243 hedgetrimmer directly from Black & Decker's website. They offer free shipping on orders over $50.

- Walmart: Walmart is another good option for buying the Black & Decker GT243 hedgetrimmer. They often have competitive prices, and you can often find it on sale.

- Amazon: Amazon is a great place to buy just about anything, including the Black & Decker GT243 hedgetrimmer. They have a wide selection of products, and you can often find it at a discounted price.

- Best Buy: Best Buy is a good option if you're looking for a physical store to buy the Black & Decker GT243 hedgetrimmer. They have a wide selection of products, and you can often find it on display so you can see it before you buy it.

- Lowes: Lowes is another good option if you're looking for a physical store to buy the Black & Decker GT243 hedgetrimmer. They have a wide selection of products, and you can often find it on display so you can see it before you buy it.

- eBay: eBay is a great place to find deals on used and new products, including the Black & Decker GT243 hedgetrimmer. You can often find it for a fraction of the retail price.

If you're looking for spare parts for the Black & Decker GT243 hedgetrimmer, you can also find them at most of the stores listed above. You can also try searching for them online at websites like PartShopDirect or SpareToolParts.
I hope this helps!
Black & Decker GT243 Problems and Solutions
some common issues and problems with the Black & Decker GT243 and their solutions:
- The saw does not start.
- Make sure that the saw is plugged in and that the switch is turned on.
- Check the fuse or circuit breaker to make sure that they are not blown.
- If the saw still does not start, it may need to be serviced by a qualified technician.
- The saw blade is not spinning.
- Make sure that the saw blade is properly inserted into the saw.
- Check the belt to make sure that it is not worn or damaged.
- If the blade still does not spin, it may need to be serviced by a qualified technician.
- The saw is making a loud noise.
- This may be due to a loose or damaged belt.
- Check the belt to make sure that it is properly tensioned and that there are no cracks or tears.
- If the belt is damaged, it will need to be replaced.
- The saw is producing poor cuts.
- This may be due to a dull saw blade.
- Sharpen the saw blade or replace it with a new one.
- The saw may also be producing poor cuts if the fence is not aligned properly.
- Check the fence to make sure that it is parallel to the blade and that it is tight against the workpiece.
Here are some additional tips for troubleshooting common problems with the Black & Decker GT243:
- Always wear safety glasses when using the saw.
- Make sure that the saw is properly grounded.
- Do not overload the saw.
- Inspect the saw for damage before each use.
- If you are not sure how to troubleshoot a problem, consult the owner's manual or contact a qualified technician.
I hope this helps!
Black & Decker GT243 Manual
Black & Decker GT243 Hedge Trimmer
Safety Information
- Read all instructions before using this hedge trimmer.
- Keep children and bystanders away from the work area.
- Do not use the hedge trimmer if it is damaged.
- Wear safety glasses and gloves when using the hedge trimmer.
- Do not overreach when using the hedge trimmer.
- Keep the cutting blades sharp.
- Disconnect the power cord before making any adjustments or servicing the hedge trimmer.
Before Use
- Inspect the hedge trimmer for any damage before each use.
- Make sure the cutting blades are sharp.
- Disconnect the power cord from the outlet before making any adjustments or servicing the hedge trimmer.
Troubleshooting
- If the hedge trimmer does not start, check the power cord to make sure it is plugged in properly.
- If the hedge trimmer is running but the cutting blades are not moving, check the switch to make sure it is turned on.
- If the hedge trimmer is making a strange noise, stop using it immediately and contact Black & Decker customer service.
Maintenance
- Clean the hedge trimmer after each use.
- Inspect the cutting blades for wear and tear.
- Sharpen the cutting blades as needed.
- Disconnect the power cord from the outlet before cleaning or servicing the hedge trimmer.
Warranty
This hedge trimmer is covered by a one-year limited warranty. If the hedge trimmer fails due to a defect in materials or workmanship within one year of purchase, Black & Decker will repair or replace it free of charge.
Contact Information
Black & Decker 1901 E. Grand Ave. Plymouth, MI 48170 1-800-231-9346 www.blackanddecker.com
Additional Information
- This hedge trimmer is designed for use with 20-gauge extension cords.
- Do not use the hedge trimmer in wet or damp conditions.
- Store the hedge trimmer in a dry, well-ventilated area.
1000 Words
I hope this manual has been helpful. If you have any further questions, please do not hesitate to contact Black & Decker customer service.
Comments
Post a Comment